To content
Оптовикам
Поставщикам
Помощь по сайту
Новости
zapros@autopiter.ru
Контакты
Все категории
Каталоги запчастей
Москва
Вход
Корзина
Все категории
Каталоги запчастей
Фильтры Hebel Kraft
Оригинальные каталоги по VIN
Неоригинальные запчасти
Запчасти ВАЗ, ГАЗ, КАМАЗ
Запчасти для ТО
Автомасла
Для спецтехники
Запчасти на ВАЗ, ГАЗ, Камаз и т.д.
УАЗ
УАЗ-2206
УАЗ-2206
uaz-2206
Поиск деталей
Например:
Кузов в сборе, кабина в сборе
Кузов
Кузов
Пол кузова
Окно ветровое и заднее
Передок кузова
Боковина кузова
Задок кузова
Крыша кузова
Дверь передняя
Дверь задняя
Дверь задка
Сиденья
Перегородка кузова
Оборудование специализированное
Вентиляция и отопление
Принадлежности
Капот, крылья, облицовка радиатора
Платформа
Двигатель
Двигатель
Система питания
Система выпуска отработанных газов
Система охлаждения
Трансмиссия
Сцепление
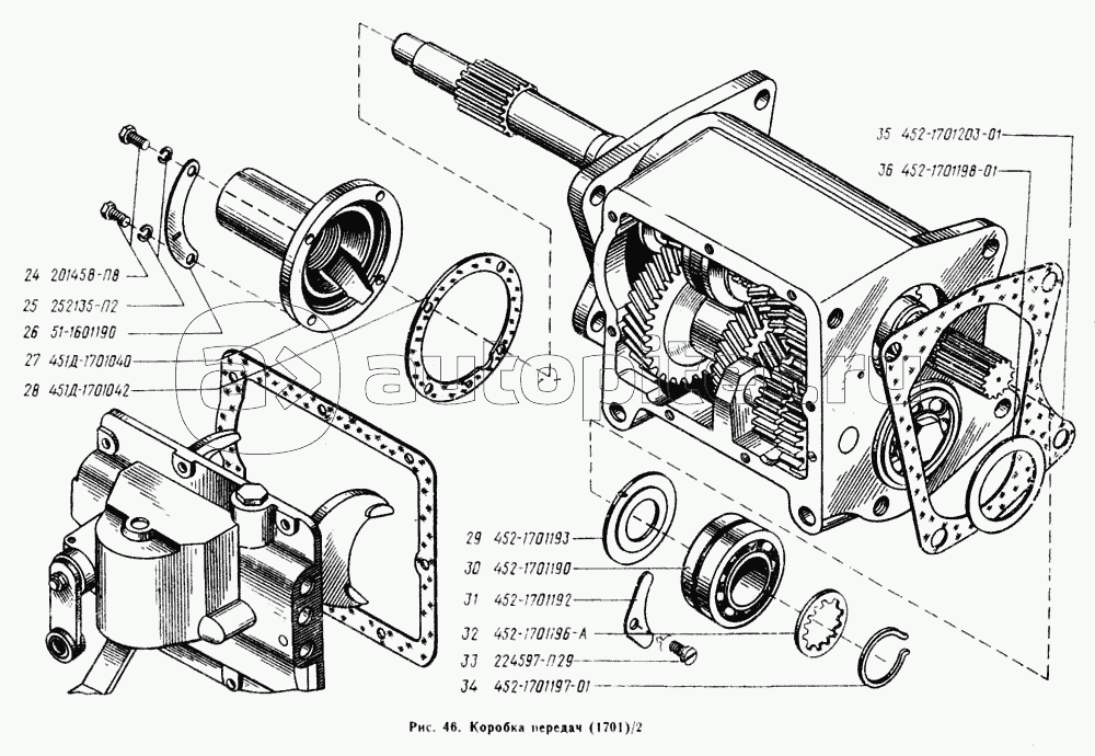
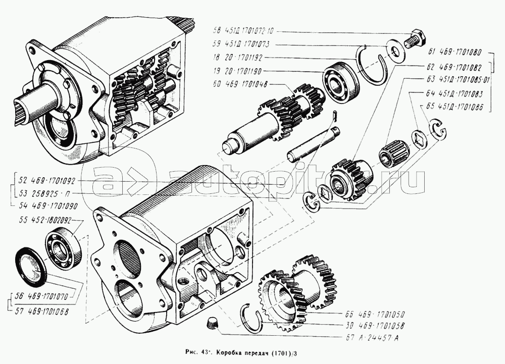
Коробка передач
Коробка раздаточная
Передача карданная
Мост передний
Мост задний
Ходовая часть
Рама, бамперы и брызговики двигателя
Подвеска
Колеса
Механизмы управления
Управление рулевое
Тормоза
Электрооборудование
Электрооборудование
Приборы и датчики
Принадлежности
Инструмент и принадлежности
Коробка передач в сборе
Коробка передач
Коробка передач
Коробка передач
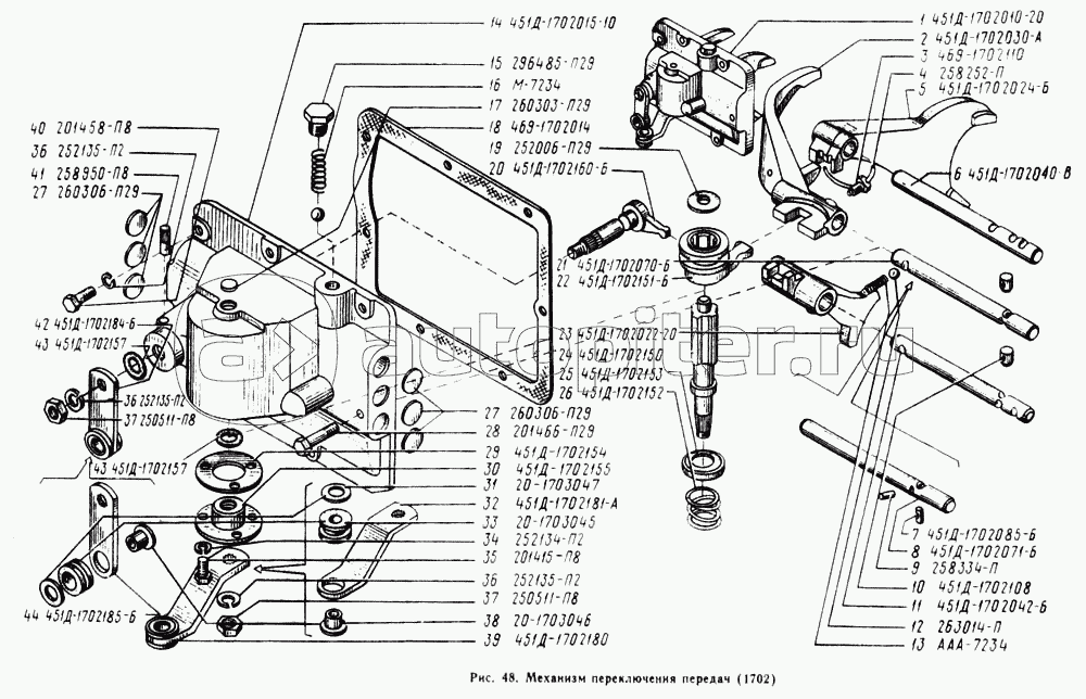
Механизм переключения передач
Коробка передач
Коробка передач
Коробка передач
Механизм переключения передач
Привод управления механизмом переключения передач
Привод управления механизмом переключения передач
Заказы на сайте принимаются и обрабатываются круглосуточно
Бесплатно доставляем заказы «до двери» оптовым клиентам 5‑6 раз в неделю нашей собственной курьерской службой
Для тех, кто забирает заказы самостоятельно мы стараемся удобно располагать наши пункты самовывоза
Оплатить все товары можно
Или выбрать другой удобный для вас способ