УАЗ-2206uaz-2206
Поиск деталей
Например: Кузов в сборе, кабина в сборе

Тормоза рабочие передние и барабаны тормозные

Тормоза рабочие задние и барабаны тормозные

Педаль и привод механизма управления тормозами

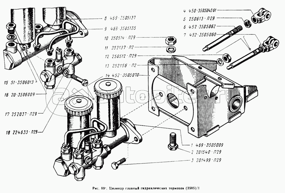
Цилиндр главный гидравлических тормозов

Педаль и привод механизма управления тормозами

Педаль и привод механизма управления тормозами, цилиндр главный гидравлических тормозов

Трубопроводы гидравлических тормозов

Трубопроводы гидравлических тормозов

Тормоз стояночный

Привод механизма управления стояночным тормозом 3508

Устройства сигнальные