LADA Largus FLlada-largus-fl-2022
Поиск деталей
Например: 100110. Двигатель в сборе (K7M)

170110. Батарея аккумуляторная

170210. Батарея аккумуляторная (FL)

171110. Генератор, стартер (K4M,K7M)

171210. Генератор, стартер (P3M,P4M)

172110. Провода высоковольтные (K4M,K7M)

173110. Катушка зажигания (K7M)

173210. Катушка зажигания (K4M)

173310. Катушка, свечи зажигания (P3M)

173410. Катушка, свечи зажигания (P4M)

174110. Свеча зажигания (K4M,K7M)

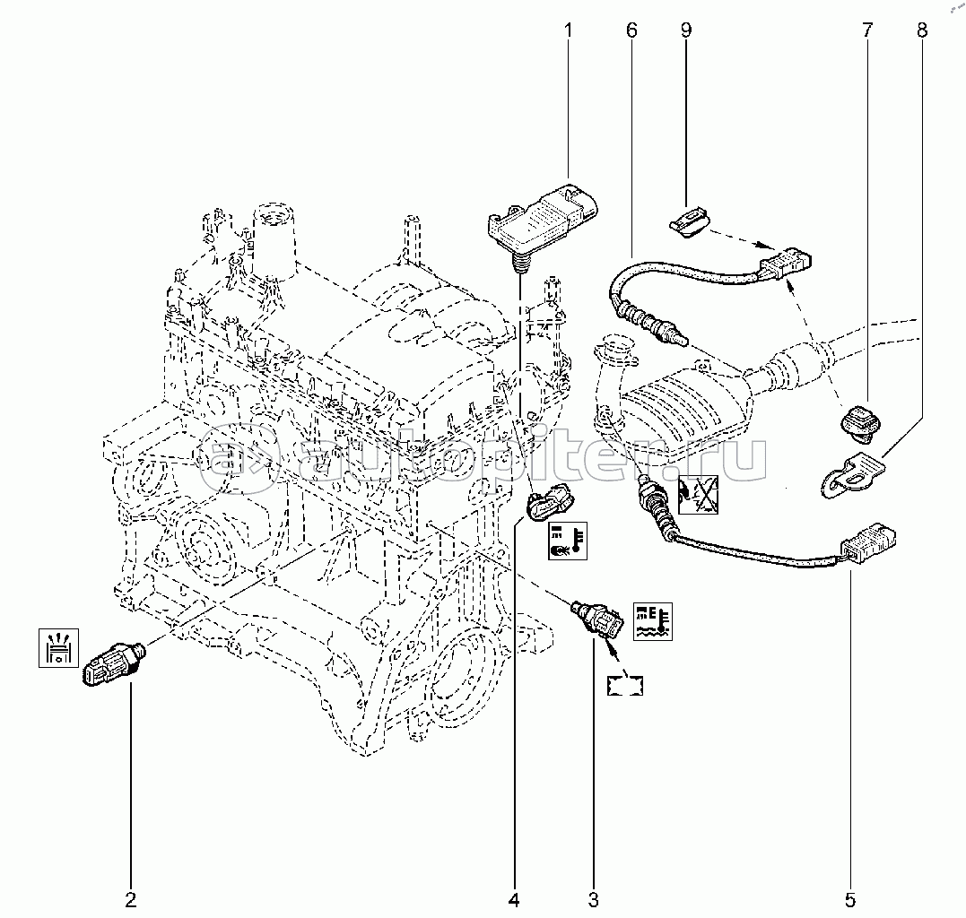
176110. Датчики управления двигателем (K7M)

176210. Датчики управления двигателем (K4M)

176310. Датчики управления двигателем (P3M,P4M)