LADA Largus FLlada-largus-fl-2022
Поиск деталей
Например: 100110. Двигатель в сборе (K7M)

192660. Редуктор высокого давления газобаллонного оборудования

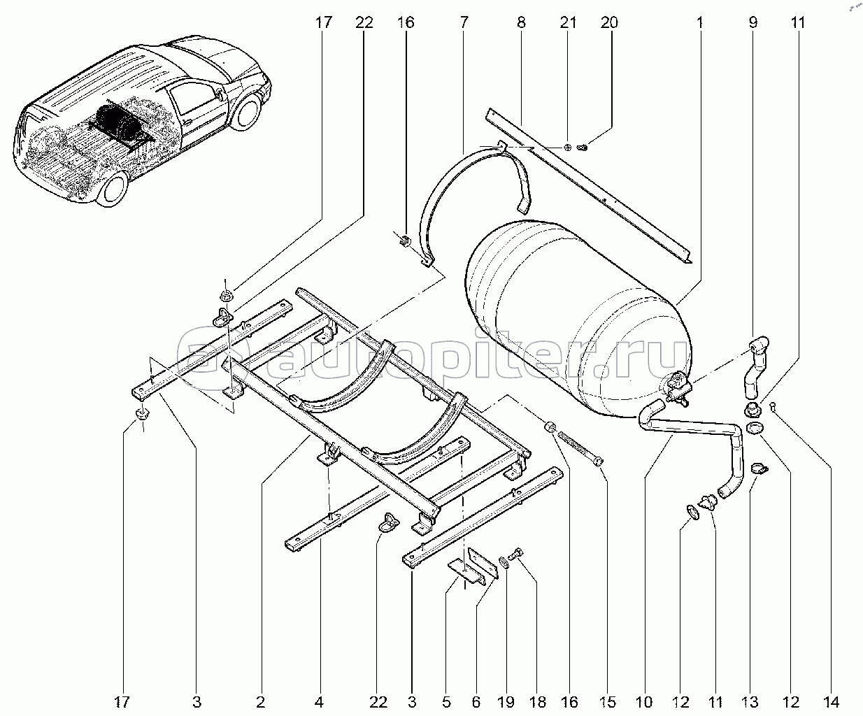
193350. Баллон газовый (универсал)

193360. Баллон газовый (фургон)

193550. Кожух баллона газового (универсал)

193560. Кожух баллона газового (фургон)

193650. Устройство заправочное (ГБО)

194351. Трубки газобаллонного оборудования

194361. Трубки газобаллонного оборудования

194460. Фильтр низкого завления