Versatile серии 2000versatile-serii-2000
Поиск деталей
Например: 04A01 Мост ведущих колес

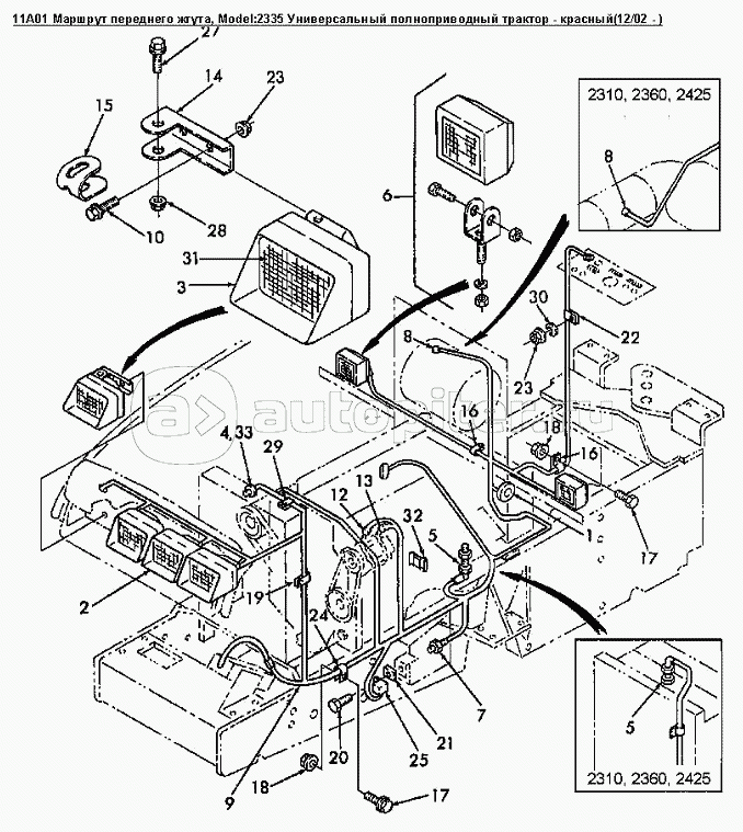
11A01 Маршрут переднего жгута

11A02 Электрооборудование задней части рамы

11A03 Электрооборудование, пуск и зарядка

11A04 Электрооборудование крыши кабины

11B01 Жгут кабины

11B02 Блок предохранителей в сборе

11B07 Электрооборудование АКПП

11C01 Набор фар рабочего освещения с креплениями

11D02 Набор габаритных фар

11E01 Блокировка электрическая переднего дифференциала в сборе

11F01 Электрика трехточечной навески

11G02 Стартер в сборе

11H01 Набор для установки реле стартера

11J01 Генератор

12A00 Приборные панели в сборе - L4wd

12A03 Приборная панель в сборе