To content
Оптовикам
Поставщикам
Помощь по сайту
Новости
zapros@autopiter.ru
Контакты
Все категории
Каталоги запчастей
Москва
Вход
Корзина
Все категории
Каталоги запчастей
Фильтры Hebel Kraft
Оригинальные каталоги по VIN
Неоригинальные запчасти
Запчасти ВАЗ, ГАЗ, КАМАЗ
Запчасти для ТО
Автомасла
Для спецтехники
Запчасти на ВАЗ, ГАЗ, Камаз и т.д.
Versatile
Versatile серии 2000
Versatile серии 2000
versatile-serii-2000
Поиск деталей
Например:
04A01 Мост ведущих колес
Тракторa Buhler Versatile серии 2000 (2335, 2375, 2425)
Агрегаты и системы трансмиссии
Структура-Рама, Кабина
Рулевое управление
Тормозная система
Окружающие системы – Кабина
Силовая установка
Силовая установка универсального трактора 2335, 2375 - L4WD
Силовая установка универсального трактора L4WD – 2425
Гидравлическая система
Электрооборудование
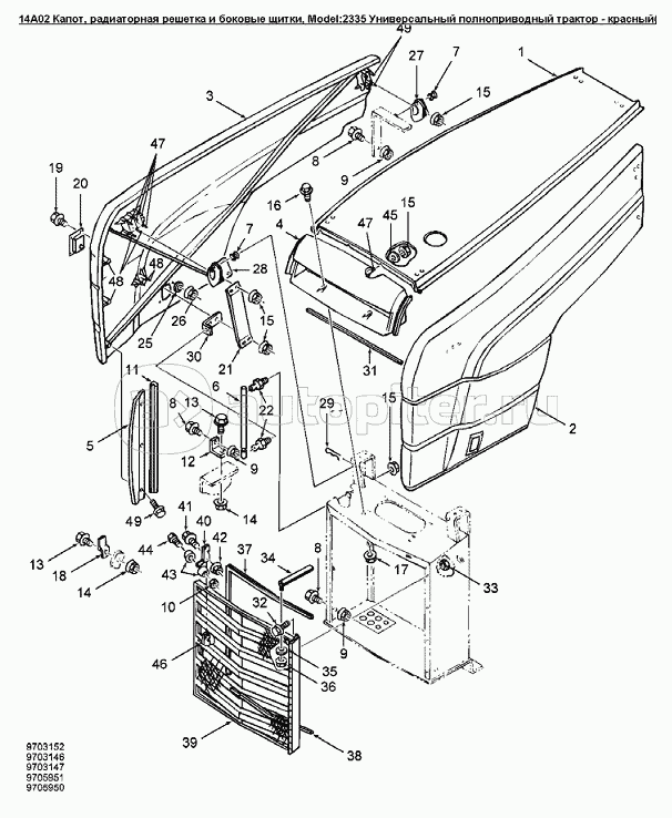
14A02 Капот, радиаторная решетка и боковые щитки
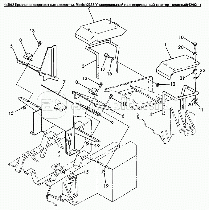
14B02 Крылья и родственные элементы
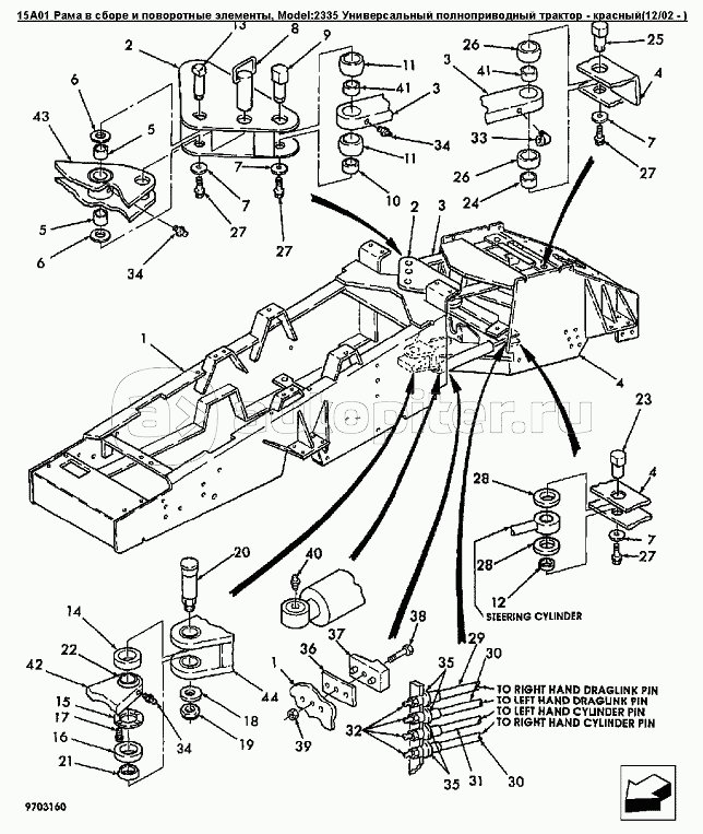
15A01 Рама в сборе и поворотные элементы
15A02 Лестница и поручни
Заказы на сайте принимаются и обрабатываются круглосуточно
Бесплатно доставляем заказы «до двери» оптовым клиентам 5‑6 раз в неделю нашей собственной курьерской службой
Для тех, кто забирает заказы самостоятельно мы стараемся удобно располагать наши пункты самовывоза
Оплатить все товары можно
Или выбрать другой удобный для вас способ