Versatile серии GENESISversatile-serii-genesis
Поиск деталей
Например: 07A01a Картер КПП
Трансмиссия и механизм отбора мощностиКабина в сборе и трубчатый каркасПередняя ось и рулевое управлениеСиденье и безопасностьТормозная системаТопливная системаСистема очисткиСистема охлажденияЭлементы системы гидравлического управленияЭлектрическая системаСиловая установкаДетали заднего мостаКолеса, весовые категорииРама, листовой металл, решетка и отделкаСборные элементы

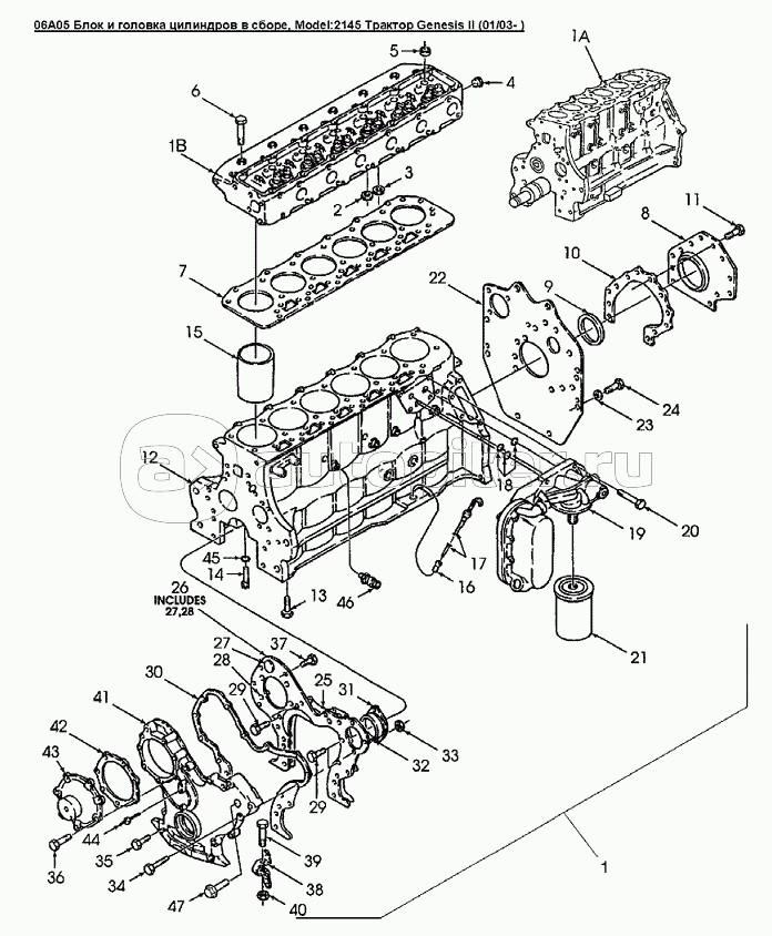
06A05 Блок и головка цилиндров в сборе, Модель: 2145

06A06 Блок и головка цилиндров в сборе, Модель: 2160

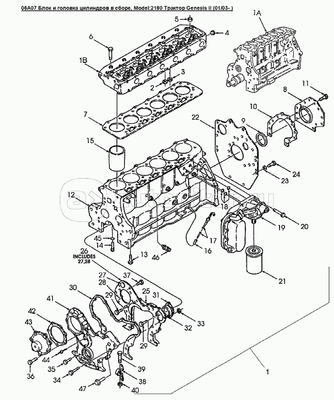
06A07 Блок и головка цилиндров в сборе, Модель: 2180

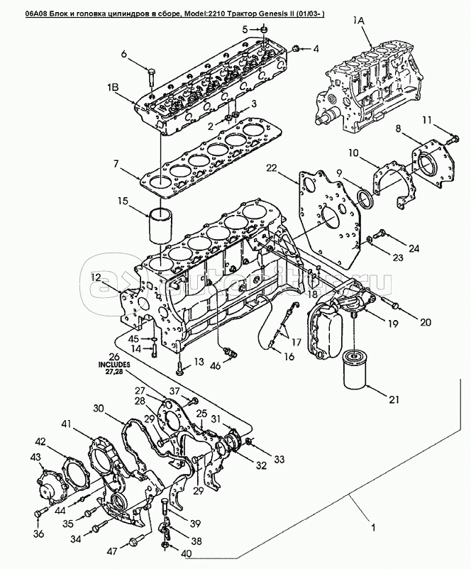
06A08 Блок и головка цилиндров в сборе, Модель: 2210

06A05b Подогреватель, Модель: 2145

06A05b Подогреватель, Модель: 2160, 2180, 2210

06B03 Коленчатый вал и маховик, Модель 2145

06B04 Коленчатый вал и маховик, Модель: 2160, 2180, 2210

06A05a Датчик числа оборотов коленчатого вала

06A09 Блок цилиндров

06C02 Вал распределительный, коромысла, клапаны и прилегающие детали

06E02 Масляный насос и поддон

06D06 Впускной/выпускной коллекторы

06D03 Система выпуска отработавших газов

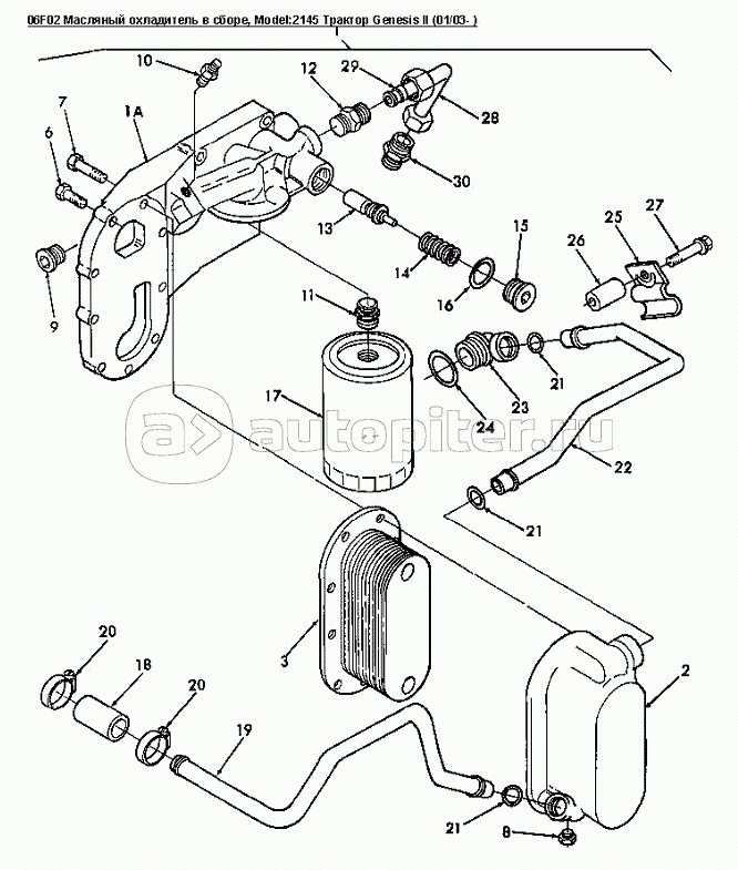
06F02 Масляный охладитель в сборе

06G02 Поршень и шатун

09E01 Система для запуска холодного двигателя