Versatile серии GENESISversatile-serii-genesis
Поиск деталей
Например: 07A01a Картер КПП
Трансмиссия и механизм отбора мощностиКабина в сборе и трубчатый каркасПередняя ось и рулевое управлениеСиденье и безопасностьТормозная системаТопливная системаСистема очисткиСистема охлажденияЭлементы системы гидравлического управленияЭлектрическая системаСиловая установкаДетали заднего мостаКолеса, весовые категорииРама, листовой металл, решетка и отделкаСборные элементы

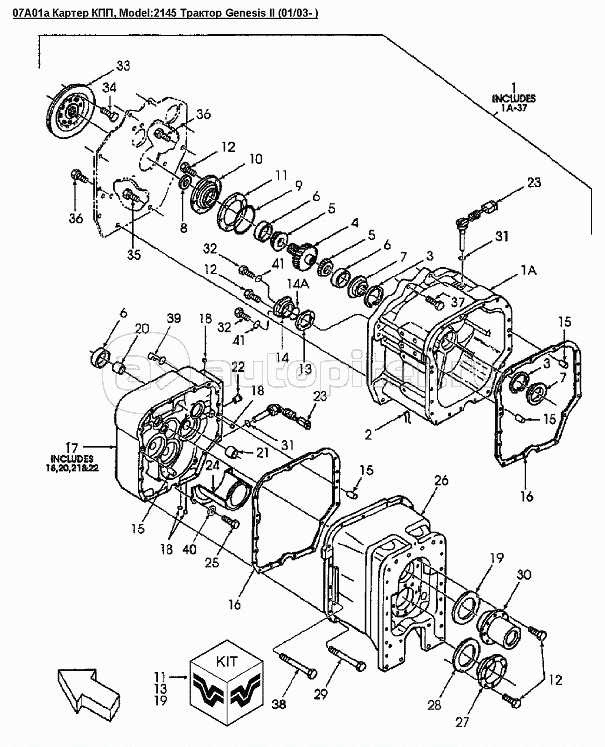
07A01a Картер КПП

07A02 Вал первичный и муфты

07A03 Муфта обгонная в сборе, 2/A

07A04 Муфта обгонная в сборе, 1/C

07A05 Муфта обгонная в сборе, 3/B

07A06 Муфта в сборе, F2

07B01 Управляющий клапан в сборе

07A07 Муфта в сборе, F1 и механизм реверса

07C01 Педаль тормоза

07D01 Рычаг переключения передач

07D01a Установка рычага переключения передач

07E01 Муфта и клапан механизма отбора мощности

07E02 Шестерни привода и вторичный вал механизма отбора мощности

07E03 Клапан механизма отбора мощности в сборе

07E04 Стойка муфты механизма отбора мощности

07H01 Клапан в сборе

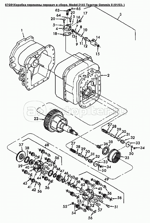
07G01 Коробка перемены передач в сборе