Versatile серии HHTversatile-serii-hht
Поиск деталей
Например: 5AXL01 Ось и планетарная ступица Okubo

5AXL01 Ось и планетарная ступица Okubo

5AXL02 Ось и планетарная ступица Eaton в сборе

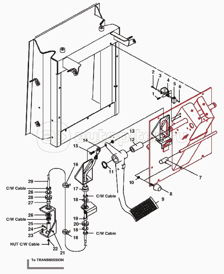
5CLP01 Тяги муфты сцепления 12 скоростной АКПП

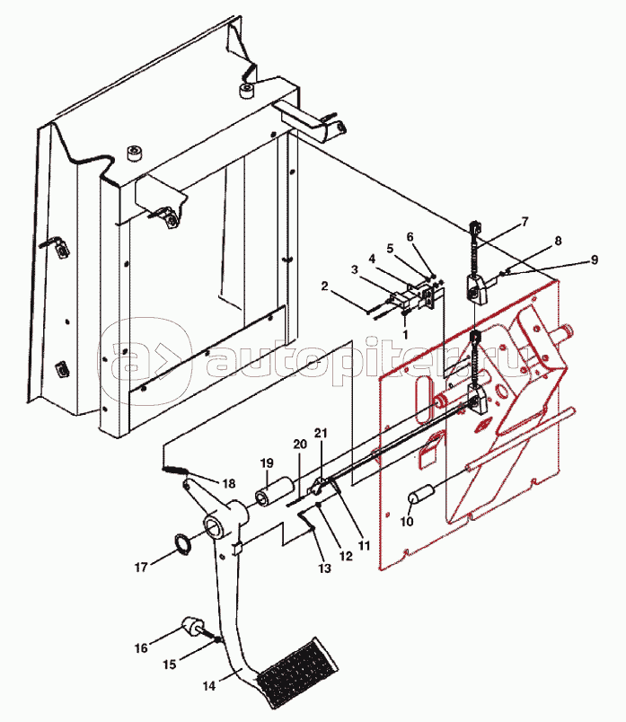
5CLP02 Тяги муфты сцепления 16 скоростной АКПП

5CLS01 Тяги муфты сцепления 12 скоростной МКПП

5DIF01 HH L4WD Дифференциал в сборе без блокировки

5DIF02 HH L4WD Дифференциал с блокировкой в сборе

5DIF03 Дифференциал Okubo в сборе STD HHP-L4WD

5DRL01 Карданные передачи

5TRN01 Верхняя крышка КПП

5TRN02 Управляющий клапан

5TRN03 Первичный вал в сборе

5TRN03a Муфта сцепления в сборе

5TRN04 Вал промежуточный 2-й в сборе

5TRN05 Вторичный вал в сборе

5TRN06 Вал промежуточный 1-й в сборе

5TRN07 Нижняя крышка КПП в сборе

5TRN10 Внешний вид деталей КПП HHP

5TRN10a Сетчатый фильтр всасывающего патрубка

5TRN11 Крепление КПП