Versatile серии HHTversatile-serii-hht
Поиск деталей
Например: 5AXL01 Ось и планетарная ступица Okubo
Двигатель

1CLG01 Радиаторная решетка с радиаторами в сборе

1CLG03 Радиатор с кожухом в сборе

1CLG02 Опорная рама радиатора в сборе

1DCL01 Механизм управления акселератором в сборе

1ENG01 Выпускная и впускная система двигателя, HHP-L4WD

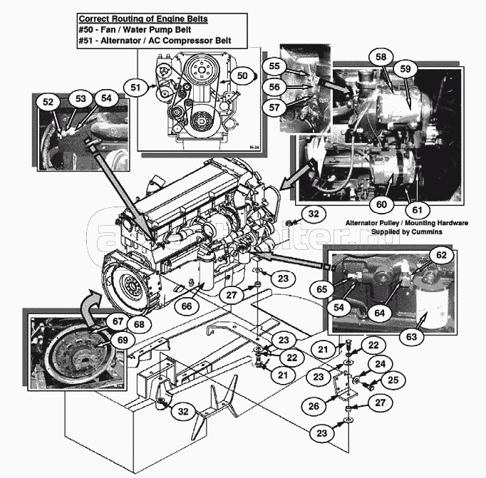
1ENG02Ls Двигатель Qsx-15 в сборе, левая сторона

1ENG02Rs Двигатель Qsx-15 в сборе, правая сторона