To content
Оптовикам
Поставщикам
Помощь по сайту
Новости
zapros@autopiter.ru
Контакты
Все категории
Каталоги запчастей
Москва
Вход
Корзина
Все категории
Каталоги запчастей
Фильтры Hebel Kraft
Оригинальные каталоги по VIN
Неоригинальные запчасти
Запчасти ВАЗ, ГАЗ, КАМАЗ
Запчасти для ТО
Автомасла
Для спецтехники
Запчасти на ВАЗ, ГАЗ, Камаз и т.д.
ЗИЛ
ЗИЛ-5301
ЗИЛ-5301
zil-5301
Поиск деталей
Например:
Кабина без дверей
Кузов
Кабина
Окно ветровое и заднее
Передок кузова
Крыша кузова
Дверь передняя
Сиденья
Вентиляция и отопление
Принадлежности
Капот, крылья, облицовка радиатора
Платформа
Двигатель
Двигатель
Система питания
Система выпуска отработанных газов
Система охлаждения
Трансмиссия
Сцепление
Коробка передач
Передача карданная
Мост задний
Ходовая часть
Рама, бамперы и брызговики двигателя
Подвеска
Ось передняя
Колеса
Механизмы управления
Управление рулевое
Тормоза
Электрооборудование
Электрооборудование
Приборы и датчики
Принадлежности
Инструмент и принадлежности
Приложения
Введение и габаритные размеры
Техническая характеристика
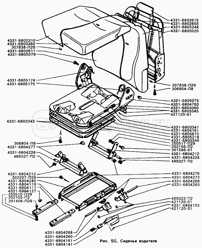
Сиденье водителя
Механизм подрессоривания сиденья водителя
Амортизатор сиденья водителя
Сиденье двухместное
Заказы на сайте принимаются и обрабатываются круглосуточно
Бесплатно доставляем заказы «до двери» оптовым клиентам 5‑6 раз в неделю нашей собственной курьерской службой
Для тех, кто забирает заказы самостоятельно мы стараемся удобно располагать наши пункты самовывоза
Оплатить все товары можно
Или выбрать другой удобный для вас способ