ЗИЛ-5301zil-5301
Поиск деталей
Например: Кабина без дверей

Установка топливоподающей аппаратуры

Топливный насос высокого давления

Регулятор топливного насоса высокого давления

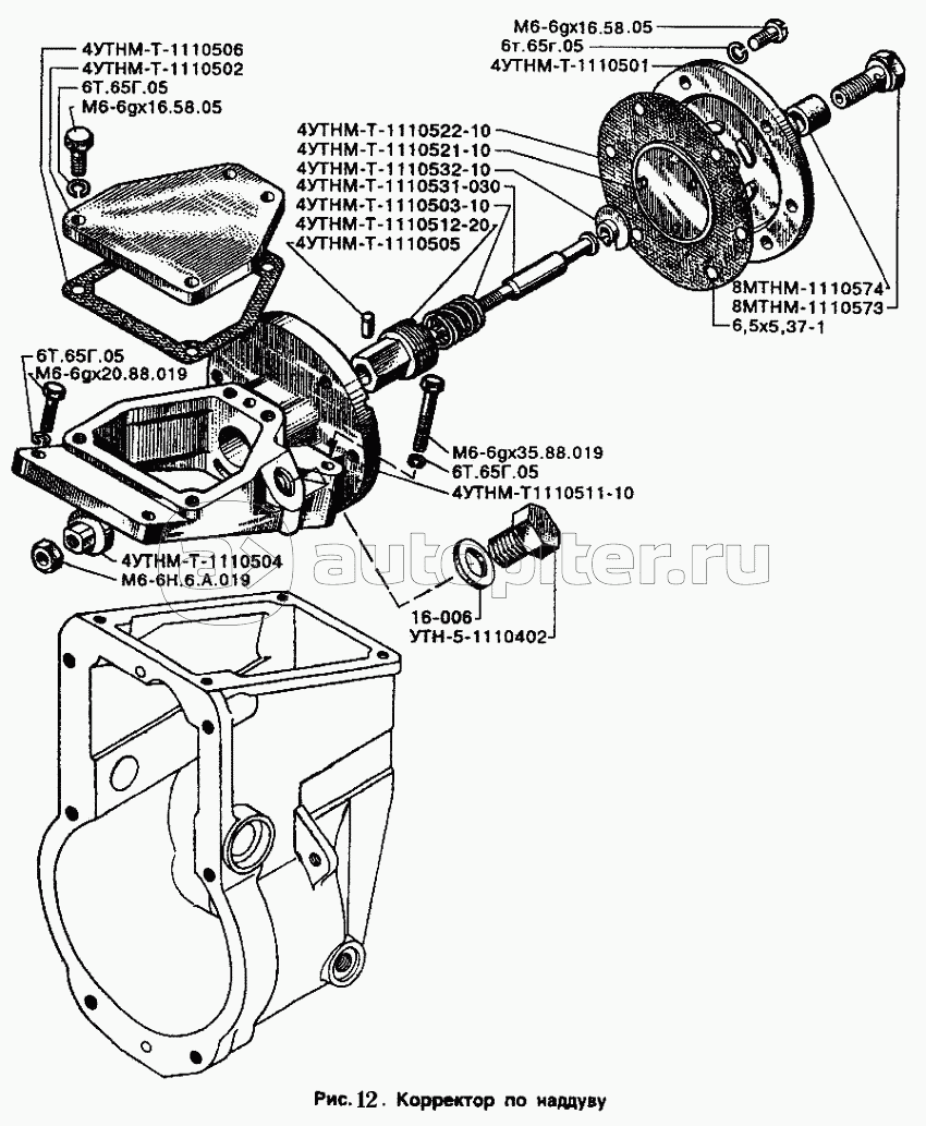
Корректор по наддуву

Подкачивающий насос

Форсунка

Фильтр тонкой очистки топлива

Схема системы питания двигателя

Фильтр грубой очистки топлива

Установка воздушного фильтра

Привод управления подачей топлива

Воздухоподводящий тракт и маслопроводы турбокомпрессора