Москвич-2141moskvich-2141
Поиск деталей

Коробка передач с дифференциалом, фланцами полуосей, картером, вилкой и подшипником выключения сцепления в сборе

Картеры коробки передач и главной передачи с деталями крепления

Детали коробки передач и ведущая шестерня главной передачи

Механизм переключения передач коробки передач

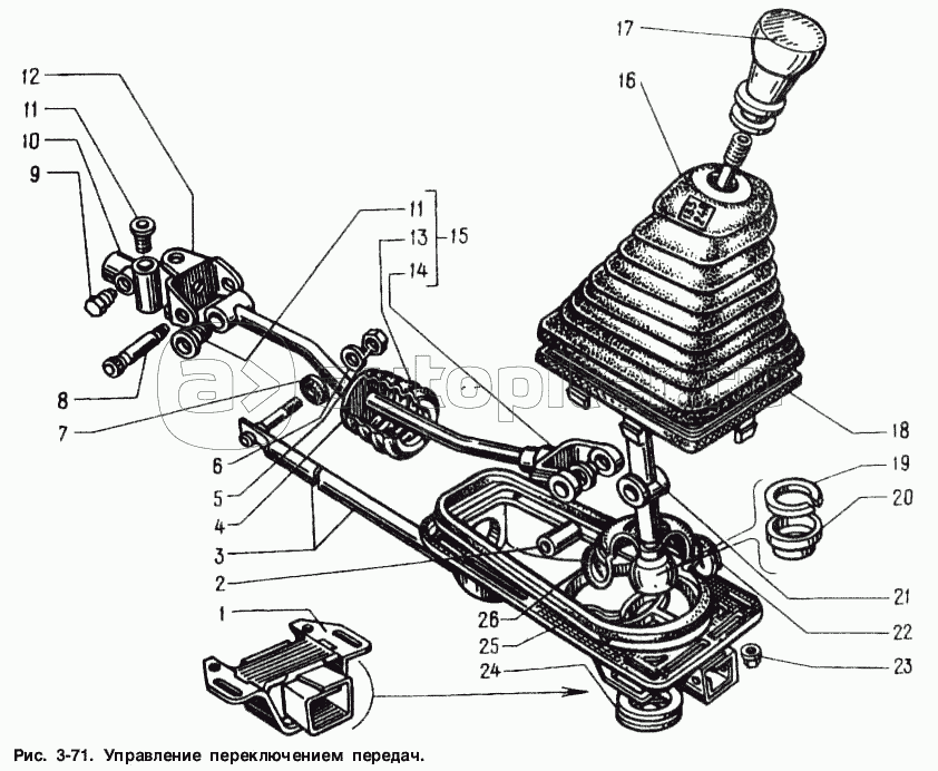
Управление переключением передач