Москвич-2141moskvich-2141
Поиск деталей

Топливный насос

Карбюратор

Крышка карбюратора

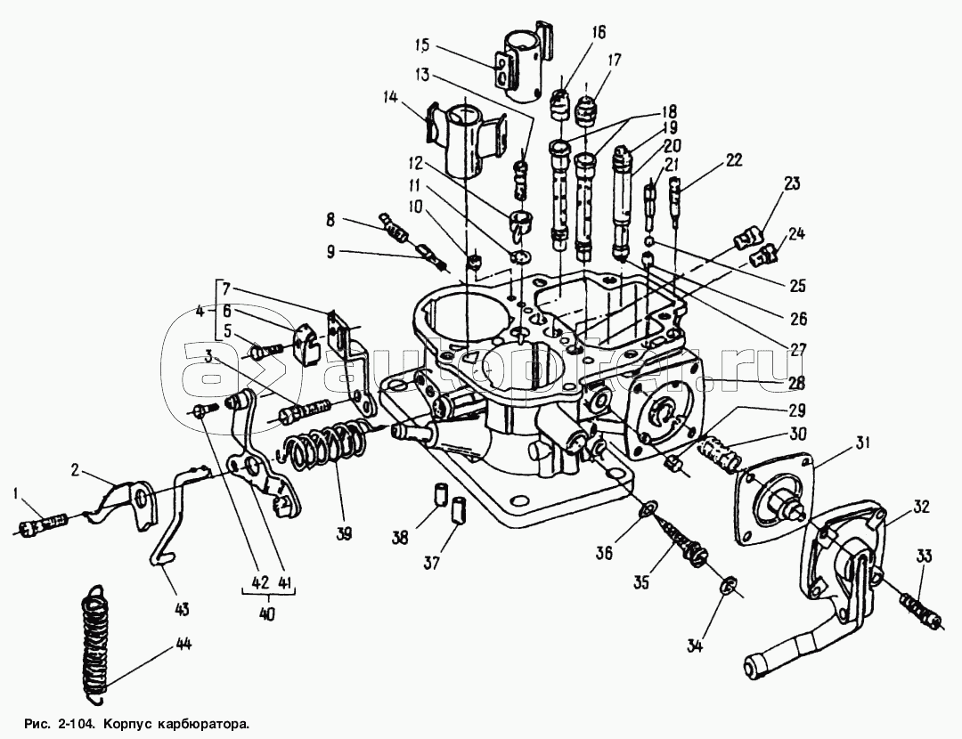
Корпус карбюратора

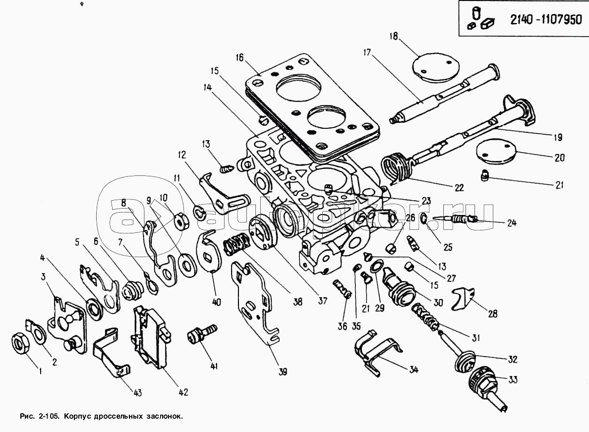
Корпус дроссельных заслонок

Топливный насос

Карбюратор

Крышка карбюратора

Корпус дроссельных заслонок

Карбюратор в сборе (типа «Озон»)

Крышка карбюратора

Корпус карбюратора

Корпус дроссельных заслонок

Карбюратор в сборе (ДААЗ-21041-10)

Крышка карбюратора

Корпус карбюратора

Электромагнитный клапан экономайзера принудительного холостого хода (ЭПХХ) и его трубопроводы

Привод управления дроссельными и воздушной заслонкой карбюратора

Воздушный фильтр карбюратора

Установка воздушного фильтра на двигателе мод. 2106

Установка воздушного фильтра на двигателе мод. 331

Топливный бак с топливопроводами и фильтром тонкой очистки топлива