Москвич-2141moskvich-2141
Поиск деталей

Генератор и детали его крепления

Генератор и детали его крепления

Катушка зажигания, свечи зажигания, соединительные провода

Катушка зажигания, свечи зажигания, провода

Свечи зажигания и привода

Распределитель зажигания и его провода

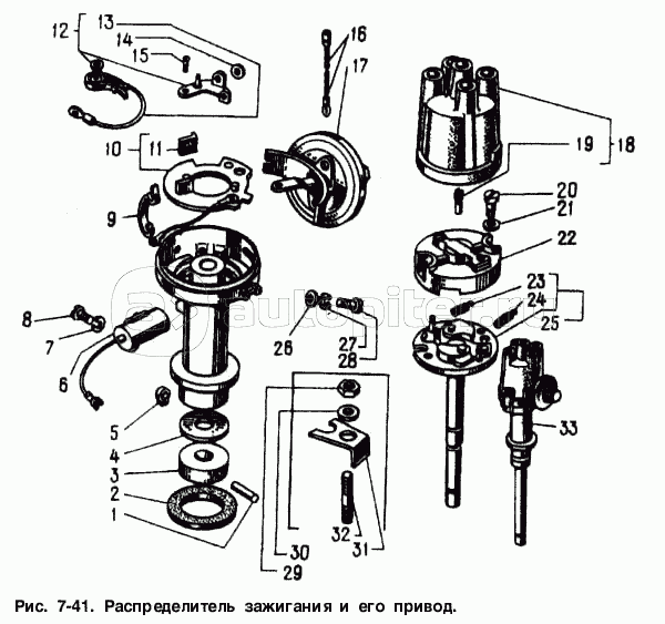
Распределитель зажигания и его привод

Стартер и его крепление

Стартер и его крепеж

Аккумуляторная батарея и детали ее крепления

Выключатели световой сигнализации, задних противотуманных фонарей, противотуманных фар, наружного освещения, обогрева заднего стекла, головных фар автомобиля, аварийной сигнализации

Фара, корректор света фар и детали их крепления

Плафоны внутреннего освещения салона кузова, плафон освещения багажника, дверной выключатель

Подкапотная лампа с включателем и штепсельная розетка

Задний фонарь и детали его крепления автомобилей 2141, 21412, 214122

Указатель поворота и детали его крепления

Фонарь освещения номерного знака и детали его крепления

Противотуманная фара и детали ее крепления

Выключатель (замок) зажигания и детали его крепления

Звуковые сигналы и детали их крепления

Блок предохранителей и реле

Электропровода и соединения - передний жгут автомобилей 2141 и 2335

Электропровода и соединения - передний жгут автомобилей 21412, 214122 и 23352

Электропровода и соединения - задний жгут автомобилей 2141, 21412, 214122

Электропровода и соединения - жгуты к панели приборов и стеклоочистителю

Электропровода и соединения

Боковые повторители указателей поворота

Блок управления экономайзером принудительного холостого хода (ЭПХХ) и детали его крепления

Контролер электронного зажигания и детали крепления