БелАЗ-7540Аbelaz-7540a
Поиск деталей

Установка воздушных фильтров БелАЗ-7540А, 7540B

Топливные трубопроводы БелАЗ-7540А, 7540B

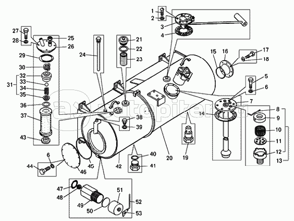
Бак топливный и масляный БелАЗ-7540А, 7540B

Привод управления подачей топлива БелАЗ-7540А, 7540B

Педаль привода подачи топлива и ее установка БелАЗ-7540А, 7540B

Цилиндр пневматический БелАЗ-7540А, 7540B

Установка воздушного фильтра двигателя на самосвале БелАЗ-7540С

Фильтр воздушный на самосвале БелАЗ-7540С

Топливные трубопроводы БелАЗ-7540С

Бак топливный и масляный на самосвале БелАЗ-7540С

Привод управления подачей топлива на самосвале БелАЗ-7540С

Педаль с кронштейном на самосвале БелАЗ-7540C

Установка воздушных фильтров на самосвале БелАЗ-7540D

Фильтр воздушный на самосвале БелАЗ-7540D

Установка топливного бака и топливопроводов на самосвале БелАЗ-7540D

Бак топливный на самосвале БелАЗ-7540D

Привод управления подачей топлива на самосвале БелАЗ-7540D

Педаль с кронштейном на самосвале БелАЗ-7540D

Установка воздушного фильтра на самосвале БелАЗ-7540К

Фильтр воздушный БелАЗ-7540К

Топливные трубопроводы БелАЗ-7540К

Бак топливный и масляный БелАЗ-7540К

Педаль привода управления подачей топлива и ее установка БелАЗ-7540К

Установка системы охлаждения топлива БелАЗ-7540К

Распределитель топлива БелАЗ-7540К