БелАЗ-7540Аbelaz-7540a
Поиск деталей

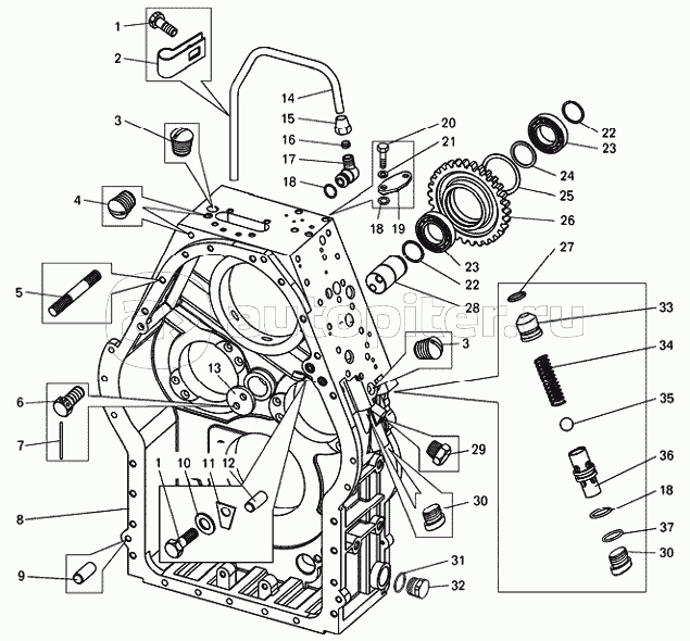
Установка гидромеханической передачи (5+2) самосвала БелАЗ-7540А

Согласующая передача и гидротрансформатор с коробкой передач БелАЗ-7540А

Фильтр тонкой очистки и трубопроводы тормоза-замедлителя БелАЗ-7540А

Насос масляный передний БелАЗ-7540А

Гидротрансформатор с коробкой передач БелАЗ-7540А

Картер гидротрансформатора с приводом насосов БелАЗ-7540А

Картер гидротрансформатора БелАЗ-7540А

Колесо насоса БелАЗ-7540А

Колесо турбины БелАЗ-7540А

Колесо первого (второго) реактора БелАЗ-7540А

Коробка передач. Картеры БелАЗ-7540А

Коробка передач. Установка первичного вала БелАЗ-7540А

Коробка передач. Установка реверсивного и диапазонного валов БелАЗ-7540А

Коробка передач. Установка выходного вала БелАЗ-7540А

Коробка передач. Установка маслозаборника и полнопоточного фильтра БелАЗ-7540А

Коробка передач. Установка крышек диапазонного, реверсивного валов и брызговиков шестерен БелАЗ-7540А

Картер коробки передач БелАЗ-7540А

Картер гидромеханической передачи БелАЗ-7540А

Коробка передач. Установка золотниковой коробки и механизма управления гидромеханической передачей БелАЗ-7540А

Коробка передач. Механизм управления тормозом-замедлителем и подпорный клапан БелАЗ-7540А

Первичный вал БелАЗ-7540А

Реверсивный (диапазонный) вал БелАЗ-7540А

Крышка диапазонного валa БелАЗ-7540А

Крышка реверсивного вала БелАЗ-7540А

Ступица гидротрансформатора БелАЗ-7540А

Фрикцион повышающего (понижающего) диапазона БелАЗ-7540А

Барабан фрикциона повышающего (понижающего) диапазона БелАЗ-7540А

Фрикцион первой (третьей) передачи БелАЗ-7540А

Шестерня первой (третьей) передачи БелАЗ-7540А

Фрикцион второй передачи БелАЗ-7540А

Поршень фрикциона БелАЗ-7540А

Барабан фрикциона второй передачи БелАЗ-7540А

Механизм управления гидромеханической передачей БелАЗ-7540А

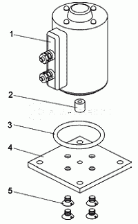
Электромагнит БелАЗ-7540А

Механизм привода управления тормозом-замедлителем БелАЗ-7540А

Механизм управления тормозом-замедлителем БелАЗ-7540А

Клапан корректирующий БелАЗ-7540А

Элемент фильтрующий маслозаборника БелАЗ-7540А

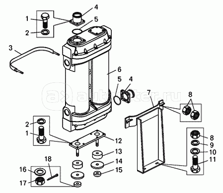
Элемент фильтрующий полнопоточного фильтра БелАЗ-7540А

Золотниковая коробка БелАЗ-7540А

Картер, ведущий и промежуточный валы согласующей передачи БелАЗ-7540А

Ведомый вал согласующей передачи БелАЗ-7540А

Тормоз-замедлитель БелАЗ-7540А

Установка трубопроводов и шлангов БелАЗ-7540А

Установка гидромеханической передачи (3+1)самосвала БелАЗ-7540B

Картеры БелАЗ-7540B

Коробка передач. Ведущий вал БелАЗ-7540B

Коробка передач. Ведомый вал БелАЗ-7540B

Фрикцион первой ( третьей ) передачи БелАЗ-7540B

Шестерня первой (второй) передачи БелАЗ-7540B

Фрикцион второй передачи БелАЗ-7540B

Поршень фрикциона БелАЗ-7540B

Барабан фрикциона второй передачи БелАЗ-7540B

Гидротрансформатор БелАЗ-7540B

Установка маслоприемника, насоса гидротрансмиссии БелАЗ-7540B

Маслоприемник БелАЗ-7540B

Насос гидротрансмиссии БелАЗ-7540B

Золотниковая коробка БелАЗ-7540B

Корпус пилотов БелАЗ-7540B

Согласующая передача. Редуктор, ведущий и промежуточный валы БелАЗ-7540B

Согласующая передача. Ведомый вал и валы привода насосов БелАЗ-7540B

Соединительный вал и вал дублирующего привода насоса БелАЗ-7540B

Тормоз–замедлитель БелАЗ-7540B

Механизм управления тормозом–замедлителем БелАЗ-7540B

Установка трубопроводов и шлангов гидромеханической передачи БелАЗ-7540B

Масляный фильтр гидротрансмиссии БелАЗ-7540B

Установка трубопроводов и шлангов гидромеханической передачи БелАЗ-7540С

Установка теплообменника БелАЗ-7540С

Теплообменник БелАЗ-7540С

Теплообменник водомасляный и его установка на самосвале БелАЗ-7540D

Установка трубопроводов и шлангов гидромеханической передачи на самосвале БелАЗ-7540D

Установка трубопроводов и шлангов гидромеханической передачи БелАЗ-7540K

Установка теплообменника БелАЗ-7540K

Теплообменник БелАЗ-7540K