БелАЗ-7540Аbelaz-7540a
Поиск деталей

Монтаж пневматического привода тормозов БелАЗ-7540А, БелАЗ-7540В

Установка механизмов управления тормозами БелАЗ-7540А, БелАЗ-7540В

Установка педали и крана управления тормозами БелАЗ-7540А, БелАЗ-7540В

Водоотделитель БелАЗ-7540А, БелАЗ-7540В

Клапан защитный одинарный БелАЗ-7540А, БелАЗ-7540В

Клапан защитный двойной БелАЗ-7540А, БелАЗ-7540В

Клапан ограничения давления БелАЗ-7540А, БелАЗ-7540В

Клапан ускорительный БелАЗ-7540А, БелАЗ-7540В

Противозамерзатель БелАЗ-7540А, БелАЗ-7540В

Клапан контрольного вывода БелАЗ-7540А, БелАЗ-7540В

Регулятор давления БелАЗ-7540А, БелАЗ-7540В

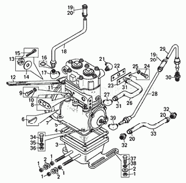
Установка компрессора пневматических тормозов БелАЗ-7540А, БелАЗ-7540В